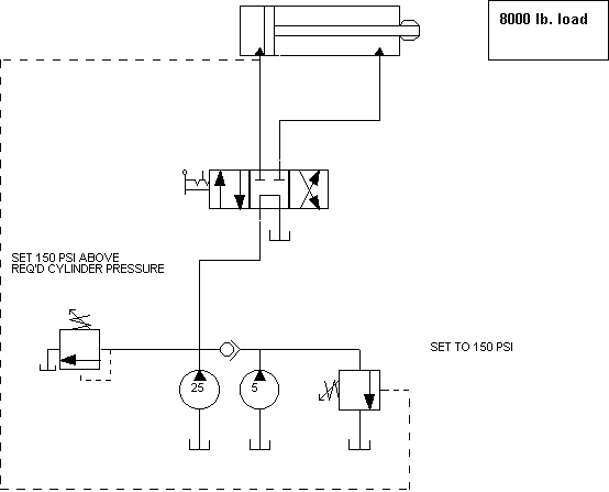
LAB 6:  HIGH-LOW CIRCUIT USING A DOUBLE PUMP AND UNLOADING VALVE

PURPOSE:  Construct / simulate the high-low circuit shown, and determine the settings of all pressure control valves.

PROCEDURE

        1.  Draw the following circuit in Automation Studio;
             Specifications:
                Cylinder Bore:  2 inches
                Rod diameter:   1 inch
                Force on cylinder:  8000 pounds.
                Pump flow rates:  25 GPM and 5 GPM
                Set Relief valve 150 PSI above required pressure at actuator.
        2.  Simulate the circuit to verify operation;
        3.  Determine the Horsepower during the following;
                  Advance:   _________
                  Press:        _________
                  Retracting _________
                  Neutral      _________

        4.  Submit a  formal written report by next class period.