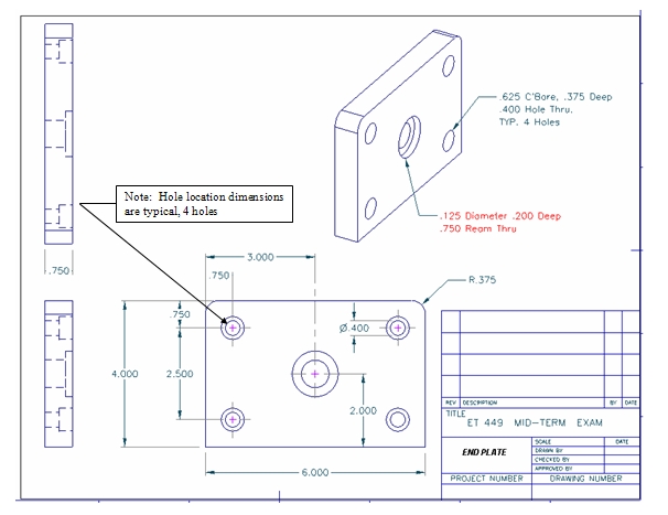
Note: The following is a take home exam, and will be due Thursday, March 1st. You are required to submitET 449-MID TERM EXAM
a signed form indicating that you have worked solely on your own. Treat the following exam as though you
were on the job and part of your responsibililty. Be thorough with your work and assume that you are bidding on the job.![]()
![]()
![]()
![]()
![]()